ALCM-MB
Micro-Bend Coriolis Mass Flow Meter With Low Pressure Drop
Highly accurate, compact design for clean, stable flow measurement - perfect for aggressive or contaminated media in industrial or harsh environments
- Measures mass flow, density, temperature, and volumetric flow
- In-line, minimally invasive measurement with low pressure drop
- Accuracy of ±0.5% of reading(std), options as high as 0.1%; repeatability ±0.075%
- High rotation frequency, balanced tubes, and good clean-ability / drain-ability
- Operates at temps up to 662°F (300°C)
Starting At: $3500
IN STOCK – Available to ship *
Backed by ISO-certified accuracy and 20+ years of flow measurement expertise.
SMARTMEASUREMENT’s ALCM-MB Micro-Bend Coriolis Mass flowmeter employs a unique tube arrangement with U-shaped measuring tubes formed with a significantly smaller radius than traditional U-tube Coriolis meters.
The more gradual radius of the ALCM-MB’s tube geometry provides a more compact design and significantly reduces pressure differential versus other Coriolis meters.
This meter offers excellent value by providing:
High accuracy & repeatability — measures flow, density, and temperature in one unit
Compact footprint — fits tight installations and retrofits
Lower cost & relative to competitive Coriolis models
✅ Result: Faster comprehension. Each block delivers a point of qualification.
Accuracy: ±0.5% of reading(std), 0.2% or 0.1% (opt)
Repeatability: ±0.075% of reading
Media Types: Liquids and gases, suitable for aggressive and contaminated media
Line Size Range: ½”~8”(15-200 mm)
Installation: In-line. flanged connections (ANSI, DIN, JIS, Sanitary)
Temperature Range (Process + Ambient): -58~662°F (-50~350°C) / -5~312°F (-20~55°C)
Applications and Use Cases
Trusted in food & beverage, oil & gas, utilities, and more for 20+ years.
| Industry | Fluid Type | Use Case |
|---|---|---|
Food & Beverage | Liquid ingredients, syrups, dairy, beer, juice, and CIP fluids | Provides hygienic, low-pressure-drop flow measurement ideal for precise batching, blending, and dosing of food and beverage ingredients. |
Oil & Gas | Crude oil, condensate, refined products, injection chemicals | With explosion-proof options and stable performance under fluctuating densities, it ensures reliable measurement for crude and refined product. Multiple outputs including water-cut. |
Petrochemical | Light hydrocarbons, solvents, feedstock, fuel additives | Engineered for aggressive fluids and high-pressure conditions, it delivers accurate mass and density readings critical for blending and custody transfer. |
Paint & Coatings | Solvents, pigments, resins, and additives | Its compact design and lower pressure drops deliver consistent performance when handling viscous resins, pigments, and solvents in batch production. |
Chemical Processing | Acids, bases, solvents, polymer feedstocks | Available in non-corrosive materials and capable of high accuracy, it ensures accurate measurement of acids, solvents, and polymers in demanding production environments. |
Industrial Process Control | Water, slurries, process chemicals, lubricants | Offering real-time mass, density, temperature, water-cut etc. outputs, it integrates seamlessly into control systems to enhance process stability and efficiency. |
Pharmaceutical & Biotech | Drug ingredients, solvents, sterile water, ethanol | Available in Tri-clamp connection for hygienic, easy-to-clean design supports aseptic operations, enabling precise dosing and formulation of sterile and solvent-based solutions. |
Pulp & Paper | Black liquor, white water, bleaching chemicals | Built for durability, it reliably measures process liquids and dosing chemicals in harsh mill environments without compromising accuracy. |
Need help matching a meter to your industry or fluid?
Real-World Installations
Our ALCM-MB Micro-Bend Coriolis meters are trusted by engineers around the world in a wide range of industries — from chemical processing to food production. Below are just a few examples of our meters in action.
Detailed Features and Benefits
- Suitable for aggressive media
- No straight run requirement
- Measurement of mass flow, density, temperature & volume flow, water-cut, and other density-dependent variables.
- High rotation frequency & well-balanced measuring tubes
- Excellent purging & sterilization capabilities thanks to a construction that is free of dead spots
- Operates at temps up to 662°F (350°C)
- Individual 8-point-calibration including report
- Optional EX protection
Why Engineers Choose SmartMeasurement?
High Accuracy & Low Uncertainty
Measures true mass flow directly, maintaining exceptional accuracy even at very low flow rates.
Low Pressure Drop / Minimal Intrusion
Compact, optimized design ensures minimal resistance and disturbance to the flow path.
Compact Design & Easy Installation
A compact body allows easy installation in tight spaces or retrofits into existing systems.
Calibration Traceability & Stability
Delivers long-term measurement stability with NIST traceable calibration to certified standards.
Versatility Across Fluids
Handles diverse fluid types and viscosity changes without frequent recalibration or performance loss.
See How the ALCM-MB Fits Your Application
Micro-Bend Coriolis Mass Flow Meter Technical Specifications
🌡️ Accuracy & Temperature
| Accuracy: | ±0.5% of reading (std), 0.2% or 0.1% (opt) |
| Repeatability: | ±0.075% of reading |
| Temperature Accuracy: | Up to ±1°F (±0.5°C) |
| Ambient Temperature: | -5~312 °F (-20~55 °C) |
| Process Temperature: | -58~662 °F (-50~350 °C) — Jacket required for high temps |
💧 Flow & Pressure Ranges
| Flow Range: | 3.2 lb/h – 2,200,000 lb/h (≈1.5–1,000,000 kg/h) |
| Max Working Pressure: | Up to 3600 psig (25MPa) |
| Zero Stability: | 0.1% full-scale |
| Zero Drift (FS/°C): | 0.005 |
⚡ Power, Output & Housing
| Power Supply: | 24 VDC ±20%; 86~260 VAC, 50–60 Hz |
| Outputs: | 4–20 mA, 0–10 kHz pulse, RS485 |
| Power Consumption: | Less than 6W |
| Housing Material: | SS#304 or SS#316 |
| Measuring Tube Material: | SS per DIN/ASTM standard |
📏 Size, Units & Display
| Line Size: | ¼”–8” (15–200 mm) |
| Display: | Color Graphic OLED |
| Tube Geometry: | Micro Bend |
| Engineering Units (Mass): | kg, lb, ton |
| Engineering Units (Temp.): | °C, °F |
| Engineering Units (Volume): | m³, Liter, US Gallon, Imperial Gallon |
✅ Certifications & Material Performance
| Frequency: | 10–2000 Hz |
| Density Measuring Range: | 12.5–125 lb/ft³ (0.2–2.0 g/cc) |
| Density Accuracy: | ±0.001 g/cc |
Trusted by engineers for ±0.5% accuracy — NIST-certified.
Coriolis Flow Meter Working Principle
SmartMeasurement’s Coriolis principle provides direct mass flow measurement by detecting the Coriolis forces generated when fluid moves through vibrating tubes. As the fluid flows, it induces a twisting motion proportional to its mass flow rate, which is detected by sensors measuring the phase shift between inlet and outlet vibrations. This direct mass measurement allows the meter to provide highly accurate, repeatable readings of mass flow, density, and temperature simultaneously. The result is precise, multi-variable data ideal for critical applications such as dosing, blending, and custody transfer in industries like oil and gas, pharmaceuticals, food and beverage, and chemical processing.
Flow Ranges by Meter Size
| METER SIZE INCHES (MM) | FLOW RANGE LB./HR. (KG/HR.) (0.2% & 0.5% ACCURACY) | FLOW RANGE LB./HR. (KG/HR.) ACCURACY 0.1% | STABILITY OF ZERO POINT LB./HR. (KG/HR.) |
|---|---|---|---|
| ¼″ (8) | 88 ~ 1,763 (40 ~ 800) | 176 ~ 1,763 (80 ~ 800) | 0.17 (0.08) |
| ⅜″ (10) | 110 ~ 2,204 (50 ~ 1,000) | 220 ~ 2,204 (100 ~ 1,000) | 0.22 (0.1) |
| ½″ (15) | 220 ~ 6,130 (100 ~ 3,000) | 440 ~ 6,130 (200 ~ 3,000) | 0.44 (0.2) |
| 1″ (25) | 661 ~ 17,630 (300 ~ 8,000) | 1,322 ~ 17,630 (600 ~ 8,000) | 1.32 (0.6) |
| 1½″ (40) | 2,024 ~ 52,910 (1,000 ~ 24,000) | 5,290 ~ 52,910 (2,400 ~ 24,000) | 5.29 (2.4) |
| 2″ (50) | 4,409 ~ 110,231 (2,000 ~ 50,000) | 11,023 ~ 110,231 (5,000 ~ 50,000) | 11 (5) |
| 3″ (80) | 13,227 ~ 265,000 (6,000 ~ 120,000) | 17,637 ~ 265,000 (8,000 ~ 120,000) | 17 (8) |
| 4″ (100) | 22,400 ~ 440,924 (10,000 ~ 200,000) | 33,069 ~ 440,924 (15,000 ~ 200,000) | 33 (15) |
| 6″ (150) | 55,115 ~ 1,102,311 (25,000 ~ 500,000) | 110,231 ~ 1,102,311 (50,000 ~ 500,000) | 110 (50) |
| 8″ (200) | 110,231 ~ 2,204,623 (50,000 ~ 1,000,000) | 220,462 ~ 2,204,623 (100,000 ~ 1,000,000) | 220 (100) |
| 10″ (250) | 165,346 ~ 3,306,900 (75,000 ~ 1,500,000) | 330,690 ~ 3,306,900 (150,000 ~ 1,500,000) | 330 (150) |
| 12″ (300) | 204,623 ~ 5,511,556 (100,000 ~ 2,500,000) | 440,924 ~ 5,511,556 (200,000 ~ 2,500,000) | 440 (200) |
Accuracy of Micro-Bend Coriolis Mass Flow Meter
Repeatability
Accuracy is calculated based on the water measurement under the condition of +20˚C ~ 25˚C and 0.1MPa ~ 0.2MPa.| ACCURACY | 0.1% | 0.20% | 0.50% |
| REPEATABILITY | ±0.05% | ±0.1% | ±0.25% |
Density Measuring
| DENSITY RANGE | 12.5–125lb/ft³ (0.2–2.0 g/cc) |
| REPEATABILITY | ±0.06% lb/ft³ (0.001 g/cc) – affected by the transducer |
| REPEATABILITY | ±0.06% lb/ft³ (0.001 g/cm³) |
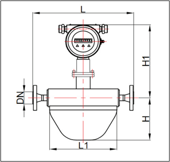
DIMENSIONS
| NOMINAL LINE SIZE | L INCHES (MM) | L1 INCHES (MM) | H INCHES (MM) | H1 INCHES (MM) | TOLERANCE INCHES (MM) | WEIGHTS LB. (KG) |
| ¼″ (8) | 16.69 (424) | 13.93 (354) | 6.06 (154) | 11.02 (280) | ± 0.06 (1.5) | 17.6 (8) |
| ⅜″ (10) | 16.69 (424) | 13.93 (354) | 6.06 (154) | 11.02 (280) | ± 0.06 (1.5) | 17.6 (8) |
| ½″ (15) | 15.74 (400) | 11.02 (280) | 7.24 (184) | 11.41 (290) | ± 0.06 (1.5) | 26.4 (12) |
| 1″ (25) | 19.68 (500) | 14.17 (360) | 9.84 (250) | 11.81 (300) | ± 0.1 (2.5) | 33.1 (15) |
| 1½″ (40) | 23.62 (600) | 18.11 (460) | 11.81 (300) | 12.20 (310) | ± 0.1 (2.5) | 55.1 (25) |
| 2″ (50) | 31.49 (800) | 25.19 (640) | 16.14 (410) | 12.59 (320) | ± 0.1 (2.5) | 83.8 (38) |
| 3″ (80) | 35.43 (900) | 27.55 (700) | 19.29 (490) | 13.77 (350) | ± 0.1 (2.5) | 171.9 (78) |
| 4″ (100) | 44.48 (1130) | 33.85 (860) | 25.98 (660) | 14.56 (370) | ± 0.14 (3.5) | 297.6 (135) |
| 6″ (150) | 57.08 (1450) | 47.24 (1200) | 35.43 (900) | 15.74 (400) | ± 0.14 (3.5) | 584.2 (265) |
| 8″ (200) | 70.86 (1800) | 57.08 (1450) | 46.06 (1170) | 16.53 (420) | ± 0.14 (3.5) | 947.9 (430) |
| 10″ (250) | 72.83 (1850) | 60.23 (1530) | 46.45 (1180) | 16.53 (420) | ± 0.14 (3.5) | 1102.3 (500) |
| 12″ (300) | 78.74 (2000) | 62.99 (1600) | 51.18 (1300) | 18.11 (460) | ± 0.14 (3.5) | 1388.9 (630) |
Pressure Drop Vs. Velocity
SmartMeasurement’s ALCM-MB is trusted worldwide for accuracy, versatility, and ease of installation — backed by 20+ years of flow measurement expertise.
Not sure which transducer fits your system?
ISO-certified | NIST-traceable accuracy | Thousands of installations worldwide
* Select sizes and configurations ready to ship; all other non-stock configurations are produced on a build-to-order basis.







